\главная\р.л. конструкции\усилители мощности\...

Из чего состоит хороший полупроводниковый усилитель мощности

by Adam Farson, VA7OJ/AB4OJ, May 2002

Введение: полупроводниковый КВ усилитель коренным образом отличается от лампового схемотехникой. Вакуумные лампы работают при высоких анодных напряжениях и умеренных анодных токах, обычно, для оптимальной работы, каскад лампового РА требует анодную нагрузку, примерно, в 2000 Ом. Современные ламповые усилители имеют несимметричные выходы, в них работает одна или несколько ламп. Все усилительные приборы в выходном каскаде РА включаются параллельно, с целью трансформации высокого выходного импеданса ламп(ы) для 50-омной нагрузки, применяется настраиваемый П-контур (или ПL-контур). Достаточное подавление высших гармоник наступает при нагруженной добротности П - контура равной 12.  

Входная схема РЧ усилителя на вакуумных лампах может быть или широкополосной (ненастроенной) или широкополосной настроенной (с малой добротностью контуров – UA9LAQ). В современных разработках ламповых РА чаще всего встречается схема с заземлённой сеткой.  

Топология (раскладка) полупроводникового РА резко отличается от лампового. Сравнительно низкие питающие напряжения и токи, требуемые мощными РЧ транзисторами (обычно 50 В при 40A для 1-киловаттного усилителя) диктуют применение низкоомной нагрузки коллектора (стока), порядка 3 Ом на 250-ваттный модуль РА. Трудность согласования низких импедансов с 50-омной активной нагрузкой диктует применение широкополосной, раскачиваемой в базу (или затвор) архитектуры РА, с использованием входных и выходных согласующих трансформаторов на ферритовых кольцах. Нагруженная добротность в единицу и менее встречается сплошь и рядом, поэтому отсутствует подавление высших гармоник.  

Вторичная обмотка выходного трансформатора рассчитана на 50-омную активную нагрузку. Первичная обмотка входного трансформатора обеспечивает внесение 50-омной активной нагрузки в источник на протяжении всего диапазона рабочих частот; отсюда, не требуются настраиваемые входные цепи. Возбудитель всегда нагружен на активное сопротивление 50 Ом. И нет необходимости активизировать автоматический тюнер трансивера при раскачке полупроводникового усилителя мощности.

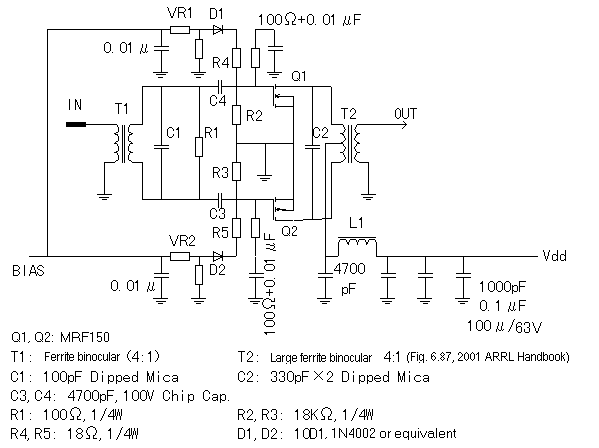
РЧ согласующие трансформаторы, используемые в каскадах полупроводниковых усилителей, наматываются на прямоугольных ферритовых сердечниках с двумя отверстиями (“биноклях”). Обычно используется намотка обмоток трансформаторов сложенным вдвое (или втрое) тонким коаксиальным кабелем. Эти устройства разрабатываются таким образом, чтобы обеспечить очень малые последовательные реактивное и активное сопротивление обмоток по сравнению с тоже очень низким сопротивлением нагрузки на РЧ (или входным активным сопротивлением) мощных РЧ транзисторов. Ферритовые сердечники должны быть всегда достаточно большими, чтобы избежать насыщения при полной раскачке или полной выходной мощности РА. Это насыщение является главным виновником интермодуляционных искажений. Сердечники трансформаторов контактируют с рассеивателями тепла (радиаторами) или помещают в струю воздуха при наличии вентиляции, чтобы удалить нагрев сердечников, возникающих из-за потерь в железе (феррите).

Выходной каскадPA- всегда двухтактный, это минимизирует генерацию чётных гармоник. В каскаде всегда используется пара (или больше) РЧ транзисторов, подобранных друг к другу. Обычно РА-модуль (пара усилительных приборов) разрабатывается на мощность 250 Вт выходной РЧ мощности, комбинация из двух модулей даёт 500 Вт, из четырёх – 1 кВт. Каждый модуль, по сути дела, является умощнённым вариантом каскада РА, который можно найти в популярных КВ трансиверах 100-ваттного класса.

В усилителе класса 500 Вт гибридно-трансформаторный делитель мощности (power-splitter) делит мощность возбуждения на 2 равные части между двумя модулями по 250 Вт. 3-х портовый гибридный “комбайнер” мощности (power-combiner)складывает мощности двух модулей, чтобы получить 500 Вт. Усилитель класса 1 кВт получается сложением мощности четырёх 250-ваттных модулей, делитель и комбайнер здесь 5-портовые. Конструкция трансформаторов в делителе и комбайнере такая же, как описана выше.  

Почему 3 и 5 портов? В делителе один вход и от 2 до 4 выходов. Напротив, в комбайнере от 2 до 4 входов и один выход.  

Выход комбайнера подключен к блоку переключаемых диапазонных фильтров нижних частот (ФНЧ). Эти фильтры предназначены для подавления гармоник и побочных излучений до уровней, определяемых Инструкцией по эксплуатации и нормативами на излучения (обычно, - 46 dBc и ниже). Выход из набора фильтров, через контакты реле переключения приём-передача, подключен к рефлектометру (направленному ответвителю), а отсюда через внутренний автоматический тюнер, если таковой имеется, к выходному (антенному) гнезду РА.

Входное гнездо РА подключено через контакты входного реле переключения приём – передача к входному порту делителя мощности.  

И вот он, перед Вами – простой, широкополосный, без подстройки (или самонастраивающийся) полупроводниковый КВ усилитель!

Теперь можно и вопрос задать: А из чего же, всё - таки, состоит хороший полупроводниковый усилитель мощности? 

Из следующих составных частей:  

  1. каскад РА, включая систему охлаждения
  2. контроллер и защитные схемы
  3. схема ALC
  4. коробка фильтра нижних частот (ФНЧ)
  5. auto-tuner (автоматический тюнер)
  6. внешние интерфейсы
  7. блок питания (БП)   

1. Каскад PA. Начнём здесь, в “сердце” усилителя. А вот качества, за которыми следует “присмотреть”:

Соответствующее охлаждение и рабочий цикл: эффективность (кпд)полупроводникового усилителя класса АВ обычно составляет 45…50%. Поэтому каскад РА должен иметь радиатор или систему рассеивания тепла (охлаждения), рассчитанную на рассеяние половины подводимой к каскаду мощности постоянного тока, с целью поддержания температуры корпусов транзисторов в диапазоне надёжной работы.

Обычно, система охлаждения РА должна быть рассчитана на поддержание рабочей температуры корпусов транзисторов в пределах 70…80 градусов Цельсия (158…176 градусов по Фаренгейту), при температуре окружающей среды 25 градусов Цельсия(77ºF), при 30-минутной работе SSB на передачу, или, при “нажатии” продолжительностью 5…10 минут при полной выходной мощности CW сигнала. Эти значения рабочего цикла являются минимальными в усреднённых условиях радиолюбительской практики. Более длительные “нажатия” требуют больших рассеивающих площадей радиаторов и большей циркуляции воздуха, рекомендуются для работы в соревнованиях или при повышенной температуре окружающей среды. Некоторые производители усилителей приводят и данные по выходной мощности (при этом), например, ICAS (IntermittentCommercialandAmateurService).

Физически система охлаждения РА может выполняться или в виде радиатора с развитой ребристой поверхностью, обдуваемой воздухом, может иметь цилиндрическую структуру, через которую с силой продувается большое количество воздуха, нагнетаемого вентилятором, или иметь термо-динамический теплообменник. Последнее решение – прогрессивно, в этом случае мощные транзисторы монтируются на полых блоках, внутри которых циркулирует охлаждающий агент. Испарение агента охлаждает корпуса усилительных приборов (известно, что переход, например, жидкости из одного состояния в другое, происходит с поглощением энергии – UA9LAQ), а пар конденсируется в радиаторе, через рёбра которого вентилятором прогоняется воздух (система охлаждения не хуже, чем у автомобиля! (Hi!) – UA9LAQ). Это позволяет выводить тепло из РА наружу в окружающую среду.

Это, принудительное воздушное охлаждение требует применения одного или большего количества вентиляторов. Одного вентилятора, обычно, хватает для 500 Вт усилителя, для 1 кВт усилителя требуется два-три. Это обычно питаемые постоянным током “булочкоподобные” вентиляторы. Сильное гудение вентиляторов некоторых РА раздражает. Будущему счастливому обладателю РА следует проверить шум его вентиляторов в условиях тихой комнаты и решить, не будет ли он избыточным для радио-шэка. В эксплуатации бывают задействованы различные системы управления вентиляторами: вентиляторы могут работать непрерывно, или только тогда, когда РА включен на передачу. В некоторых конструкциях РА, в режиме “ожидания”, вентиляторы работают вполсилы, и, в полную, - когда РА включен на передачу. В других конструкциях, скорость вращения лопастей вентилятора увеличивается, когда температура корпусов транзисторов увеличивается до 50ºC (122ºF).

Ориентация и начинка (в термическом плане): В дополнение кпроизводительности вентилятора, необходимо продумать и правильно расположить вход и выход охлаждающего воздушного потока, обеспечить достаточный объём места установки усилителя. Различного рода пылевые фильтры и выключатели усилителя, при отсутствии воздушного потока (“лопаточкой” в воздушной струе), являются средствами защиты охлаждающей системы, а, значит, и усилителя в целом. 

Полупроводниковый усилитель должен быть снабжён температурной защитой, которая бы уменьшала мощность возбуждения РА или (и) провоцировала его отключение, в случае, превышения безопасного уровня температуры корпусов оконечных транзисторов усилителя. Это будет рассмотрено подробнее в Функции контроля и защиты.  

Ориентация и “начинка” (в плане электроники): Все печатные платы, используемые в полупроводниковом усилителе, должны быть высшего качества FR4/G10 фибер-глассовые (fibre-glass), с лужёными дорожками значительной ширины и толщины для пропускания больших РЧ и постоянных токов, которые “гуляют” по РА. Толщина платы РА должна быть, по крайней мере, 3 мм. Монтаж с низкой индуктивностью проводников предпочтителен в любом случае, если только, таким образом, не изготовлены специальные индуктивности РА. Двухтактные схемы должны иметь симметричный монтаж. Длина выводов радиодеталей должна быть разумно короткой.  

Экранирование: Каждый субблок усилителя (каскад усиления, коробка ФНЧ, автоматический тюнер, контроллер, блок питания) должен быть полностью заключён в свой отдельный экранирующий корпус, расположенный на общем шасси РА. Выводы питания и управления должны быть осуществлены через проходные конденсаторы, соединяющие РЧ кабели должны иметь заземления оплёток в точках входов в экранирующий корпус (обычно, на практике, это осуществляется установкой гнезда РЧ соединителя на стенку экранирующего блок корпуса - UA9LAQ). Следует не пренебрегать и защитной изоляцией выводов. 

Эти меры по экранированию позволят разместить субблоки РА в небольшом объёме и исключить нежелательные связи между ними, обеспечить обстановку электромагнитной совместимости (ЭМС) с другими средствами связи.  

Линейность: Многие факторы определяют линейность КВ “линейного” усилителя: изменение усиления транзисторов (соотношения между мощностью раскачки и выходной) в диапазоне от нуля до полной выходной мощности, изменение пикового РЧ напряжения коллектор-эмиттер (сток-исток) транзисторов, стабильность (постоянство) напряжений коллекторного (+Vcc) или стокового (+Vdd) питания, ток покоя транзисторов и наступление насыщения в сердечниках РЧ трансформаторов. 

Ограничивающим фактором является постоянство усиления в диапазоне всех выходных уровней мощности усилителя. Чтобы визуализировать это, можно рассмотреть зависимость выходной мощности от входной в паспортных характеристиках транзисторов. Обычно, полевые транзисторы (ПТ) с изолированным затвором (MOSFET) обеспечивают большую линейность, по сравнению, с биполярными с переходами. ПТ, такие как MRF150 фирмы Motorola, начали вытеснять биполярные (например, MRF448, 2SC2652) ещё в конце 90х годов прошлого века [ 5 ].

Чем больше изменяется напряжение, тем длиннее линейный участок характеристической кривой соотношения выходной/входной мощности. Из-за этого, усилители питаемые напряжением 40…50 В показывают большую линейность и дают меньший коэффициент интермодуляционных искажений, чем питаемые 13,8 В. Типичный коэффициент интермодуляционных искажений 3 порядка (IMD3) относительно пиковых значений (PEP) составляет –32 дБ для 50 В и –24 дБ для 13.8 В. Дополнительные трудности получения больших токов (обычно, в пике, до 100 А при 500 Вт (PEP) выходной мощности) при напряжении питания 13,8 В создают проблемы при подборе подходящего блока питания. (Следует заметить, что при низком напряжении питания РА происходит большая просадка напряжения питания из-за активного сопротивления соединительных проводов, что порой сводит на нет стабилизацию напряжения и заставляет монтировать БП внутри РА – UA9LAQ).

Развивая мысль далее, можно отметить, что ламповый усилитель с его высоким изменением анодного напряжения от тысяч до десятков вольт (по огибающей синусоиды – UA9LAQ) является более линейным, чем любой из полупроводниковых (обычно, IMD3 < -40 dB относительно PEP).

Нагрузочный импеданс коллектор-коллектор (или сток-сток для ПТ) должен обеспечиваться, чем ближе к активному, (резистивному, без реактивности), тем лучше, насколько это возможно. Это, в свою очередь, требует оптимизации широкополосного выходного трансформатора(ов), комбайнера (если таковой используется) и нагруженного КСВ в полосе пропускания ФНЧ до минимальных, возможных величин. Нагрузка выхода ФНЧ должна быть активной и, как можно, более близкой к 50 Ом [ 1 ].

Коэффициент интермодуляционных искажений (IMD) возбудителя будет снижать этот общий параметр (системы с РА), согласно указанной здесь дискуссии.

Эффективность (кпд): Между эффективностью усилителя (отношением выходной мощности к подводимой) и его линейностью существует взаимосвязь. Полупроводниковые усилители обычно работают в классе АВ (180º < фазовый угол отсечки (проводимости) < 360º). Это – компромисс между классом А (360º, наиболее линейным, но и наиболее расточительным) и классом С (наиболее экономичным, самым нелинейным, приводящим к перекрёстным искажениям). На усилительные приборы подаётся напряжение смещения до появления тока покоя, достаточного, чтобы до определённого уровня минимизировать перекрёстные искажения. Появляется возможность минимизировать искажения по продуктам 3 порядка (IMD3) подачей на вход РА испытательного 2-тонального сигнала с уровнем, обеспечивающим полную пиковую мощность усилителя, наблюдая, в процессе настройки, IMD3 на анализаторе спектра.

Как было упомянуто ранее, эффективность большинства полупроводниковых КВ усилителей составляет порядка 45…50% по отношению к РЕР. Это будет сравнимо с эффективностью большинства ламповых усилителей, если иметь в виду и накал ламп, и питание их экранных сеток.  

Соответствующая выходная мощность: Полупроводниковые любительские линейные КВ усилители обычно подразделяются на два класса: (до) 500 Вт и (до) 1 кВт РЕР. Все усилители экстра-класса относятся к последнему.

Выходная мощность РА ограничивается паспортными данными большинства доступных мощных РЧ транзисторов и областью их линейной работы. Наиболее дорогостоящие РА содержат “кучу” транзисторов, каждый, из которых, может обеспечить по 150…250 Вт выходной мощности. Как было отмечено в введении, транзисторы группируются в две или четыре пары (по двухтактной схеме), причём, каждый модуль выдаёт по 250 Вт.  

В 80-х годах прошлого века, популярные 500-ваттные усилители содержали по две пары биполярных мощных РЧ транзисторов. В инструкции по эксплуатации предписывалось работать при выходной мощности 500 Вт CW или PEP SSB. Даже при максимальной допустимой мощности на транзистор в 200 Вт, пользователям рекомендовалось не превышать 500 Вт, во избежание резкого увеличения продуктов интермодуляции третьего порядка (IMD3) (чреватых расширением спектра излучаемых частот – UA9LAQ). В современных 1-киловаттных усилителях на ПТ с изолированными затворами (MOSFET) устанавливается восемь транзисторов, каждый рассчитан на максимальную выходную мощность 150 Вт, транзисторы работают в парах (2 х 4). Хоть мощность у ПТ и поменьше (150 Вт у ПТ – против 200 Вт у биполярных), но IMD3 не растёт так быстро до выходной мощности Pвых > 1 кВт. Обычно, эти усилители работают вполне сносно при выходной мощности 1,0…1,1 кВт РЕР. У ПТ (MOSFET) – более высокая рабочая частота, чем у биполярного, что позволяет использовать их на всю мощность в диапазоне 6 метров.  

Усиление мощности: Это – соотношение между выходной и входной мощностями усилителя. Усиление мощности системой есть усиление мощности усилительных элементов РА, минус вносимые потери входного делителя, выходного комбайнера и выходных фильтров. Потери в автоматическом тюнере тоже следует учесть, если тюнер имеется в составе РА.

Усиление мощности любого РЧ транзистора падает с ростом частоты. Это можно увидеть на паспортных характеристиках транзисторов, где показано изменение усиления мощности при изменении частоты. Обычные значения для усиления мощности системы на 14 МГц составляют 10 дБ для биполярных транзисторов и 12 дБ для ПТ (MOSFET). А это эквивалентно подаче 100 Вт раскачки на биполярные транзисторы и 65 Вт на ПТ для получения 1 кВт выходной мощности. Усиление мощности ПТ, обычно, возрастает, примерно, на 2 дБ на частоте 3,5 МГц и падает на 2 дБ на 28 МГц (4 дБ на 50 МГц). Частото-зависимый спад усиления мощности ПТ (MOSFET) несколько менее трагичный, чем у биполярных. 

“Хорошей новостью” для радиолюбителей будет тот факт, что полупроводниковый трансивер с выходной мощностью 100 Втсможетраскачатьна “всюкатушку” полупроводниковыйусилительмощностив 1 кВт.  

Возможность работы QSK: В некоторых ранних моделях полупроводниковых КВ усилителей для переключения входов и выходов с приёма на передачу использовались реле открытого типа. Эти реле были инерционны и не обеспечивали полнодуплексной работы, даже на скоростях в 10…15 слов в минуту (50…75 зн/мин).  

В современных разработках РА применяются миниатюрные высокоскоростные (быстродействующие) герметизированные реле, рассчитанные на многомиллионное количество переключений. Время включения несущей в возбудителе подобрано таким образом (задержка), чтобы исключить “невключение” реле. Это существенно продляет “жизнь” реле. В некоторых усилителях существует опция, позволяющая периодически “тренировать” все реле в РА, ФНЧ и автоматический тюнер в режиме покоя усилителя, но когда к нему подключено питание.

Функции контроля и защиты: Каскад РА оснащён датчиками, которые измеряют множество рабочих параметров усилителя и передают значения этих параметров на системный контроллер (микропроцессор или логическую схему). Эти параметры включают величину постоянного напряжения питания (или (и) его наличие), величину постоянного тока (общую и отдельно по модулям), РЧ мощность раскачки, температуру корпусов усилительных приборов, выходную мощность (по модулям) и общую прямую и отражённую мощность на выходе комбайнера, на выходе ФНЧ и на выходе автоматического тюнера. Контроллер также обеспечивает измерительные функции, минимально, они следующие:

Рефлектометры, установленные между выходом комбайнера и входом ФНЧ, выходом ФНЧ и входом тюнера, выходом тюнера РА и антенной посылают контроллеру свои сигналы. Эти сигналы управляют установками тюнера, управляют выходной мощностью РА. осуществляют измерение КСВ и контрольные (сигнальные) функции, контролируют цепь ALC. Если будет выбран не тот ФНЧ для работы, скажем, на диапазоне 14 МГц, рефлектометр на выходе комбайнера обнаружит отражённую мощность значительного уровня и подаст сигнал контроллеру выключить усилитель. Подобным же образом, если КСВ нагрузки окажется высоким и превысит возможности тюнера (обычно до КСВ 3 : 1), рефлектометр на выходе тюнера даст знать об этом контроллеру, а тот заблокирует усилитель (отключит его). Эта опция защищает усилитель и предотвращает выход из строя тюнера в случае поломки или отключения антенны.

Минимально подсистема защиты должна выявлять следующие аномальные условия:

перегрузку по току

Имеетсядвеступенизащиты: автоматическоеуменьшениемощностипоцепи ALC, врезультатеусилительблокируетсяиливыключается. Например, уменьшение выходной мощности может начаться уже с КСВ 1,5 : 1, при КСВ 2 : 1, уменьшение составит 3 дБ, а блокировка наступит при КСВ = 3 : 1.

В некоторых усилителях применён метод “грубой силы” – ограничение в цепи сигнала раскачки. Это помогает избавиться и от пичков, свойственных некоторым возбудителям старой разработки.

Автоматический выбор диапазона – опция, присущая практически всем типам полупроводниковых усилителей. Она может быть введена несколькими способами, возбудитель может подавать в РА кодированный сигнал для переключения, присущий только требуемому диапазону, согласно протоколу разработчика, или контроллер усилителя высчитает частоту сигнала, поступающего с возбудителя, и подключит цепи соответствующего диапазона. Ввод данных о диапазоне является одним из внешних интерфейсов усилителя.  Контроллер определяет рабочий диапазон, выбирает соответствующий ФНЧ в усилителе с встроенным автоматическим тюнером (auto-tuner), контроллер также предустанавливает тюнер в положение, соответствующее выбранному диапазону. (Если контроллеру “известно” о входной для РА частоте, то он устанавливает тюнер на предварительно установленное его положение, близкое к данной частоте).

2.Контроллер и защитные схемы: Смотрите подробнее выше в Функции контроля и защиты.

3. Схема ALC:ALC (automaticlevelcontrol) – автоматическое управление выходной мощностью усилителя осуществляет обратную связь по управляющему напряжению постоянного тока с промежуточным каскадом возбудителя, отвечающим за регулировку усиления. Это напряжение пропорционально выходной мощности усилителя. Обычно, напряжение ALCуменьшающееся (отрицательно-действующее, противофазное), чем выше напряжение, тем меньше выходная мощность возбудителя (раскачки). Различают два предназначения ALC: (1) ограничивать выходную мощность усилителя предустановленным уровнем без возникновения искажений, и (2) уменьшать раскачку, когда защитная субсистема усилителя обнаружит нарушение границ условий эксплуатации РА.

1: Во время нормальной работы усилителя, контроллер формирует напряжение ALC из сигнала прямой волны, поставляемого датчиком-рефлектометром, стоящим между выходом ФНЧ и входом тюнера. Это совсем другое дело, чем формирование напряжения ALC в ламповых РА, когда оно исходит из тока сетки лампы РА. В ламповом усилителе, ALC предотвращает перекачку уменьшением РЧ раскачки за счёт установки сеточного тока.

Как было отмечено ранее, IMD3 ухудшается довольно быстро при превышении технических условий (IMD3 “подрастает” на 3 дБ на каждый дБ увеличения выходной мощности сверх нормы). Чтобы избежать этого, оператор должен правильно настроить уровень ALC в усилителе, чтобы поддерживать заданный нормативный уровень выходной мощности (не превышая его). ALC следует настраивать в режиме RTTY или CW, при регуляторе мощности возбудителя, установленным на 100% (полную мощность). 

2: При обнаружении аномальных условий, описанных выше, контроллер тоже выработает напряжение, достаточное для уменьшения входной мощности раскачки до безопасного уровня. (Например, напряжение обратной волны, полученное от вышеупомянутого рефлектометра “отрапортовало” контроллеру о несоответствии требуемой, контроллер, в свою очередь, наводит порядок через цепь ALC, возвращая всё на “круги своя”).

Соответствующее соединение и настройка ALC абсолютно необходимы при работе с полупроводниковым усилителем. Цепь ALCявляется первой по значению вделезащитыРА. Плохо настроенная цепь ALC повлечёт за собой выход из строя дорогостоящих транзисторов РА, да и других деталей, тоже, создаст риск разрушения.

При правильной настройке ALC, по инструкциям разработчиков, уровень раскачки возбудителя нужно устанавливать чуть-чуть выше той точке, когда обеспечивается номинальный уровень, а не выкручивать ручку до упора. Это позволит предотвратить перекачку и выход из строя системы ALC. [ 4 ].

4. Коробка ФНЧ: Это следующий компонент на пути РЧ сигнала. Как было отмечено выше, коробка ФНЧ представляет собой совокупность диапазонных ФНЧ, помещённая в экранирующую металлическуюоболочку. ФНЧ, обычно, имеют чебышевскую характеристику, дающую большое подавление за полосой пропускания и крутой скат за частотой среза. ФНЧ разработаны и служат для подавления гармоник и паразитных побочных излучений до уровней законодательно установленных на уровне, обычно, - 46 дБ относительно полной несущей основной частоты или менее.

Встроенные фильтры имеют катушки с бескаркасной намоткой и намоткой с использованием ферритовых сердечников и высокодобротные, с малыми потерями конденсаторы, рассчитанные на пропускание больших РЧ мощностей (например, серебряно-слюдяные). Каждый фильтр рассчитан на свою частоту или диапазон частот, их переключение производится быстродействующими, миниатюрными герметизированными реле. Охлаждающий поток воздуха в РА проходит и через ФНЧ для устранения нагрева ФНЧ, возникающего из-за РЧ потерь. Потери ФНЧ в рабочей полосе частот, обычно, составляют 0,5…1,0 дБ.

5. Автоматический тюнер:Некоторые полупроводниковые усилители снабжены встроенными автоматическими тюнерами. Обычно, это Т-образная схема с ёмкостными, последовательными цепями и с индуктивностью впараллельнойцепи. Ёмкостные элементы (воздушные КПЕ) приводятся в действие двигателем, тогда как индуктивный состоит из комбинации катушек бескаркасных и намотанных на ферритовых сердечниках с переключением отводов с помощью контактовреле. Рефлектометр на входе тюнера (в некоторых разработках и фазовый компаратор, измеряющий фазовый угол между входом тюнера и его выходом) помогает, с помощью контроллера и исполнительного устройства, доводить согласование до полного, когда напряжение отражённой волны минимально, а сдвиг фазы между входом и выходом составляет точно 180 градусов. Эти условия останавливают сервисные двигатели.

Другой подход может быть осуществлён с использованием рефлектометра и моста обратных потерь на входе тюнера. Контроллер вначале “считывает показания” рефлектометра для грубой настройки, затем подключает мост обратных потерь во входную цепь тюнера для точной настройки. Конденсаторы настройки тормозятся в точке максимума обратных потерь.

В некоторых конструкциях усилителей, контроллер позволяет обходить РА или подключает аттенюатор в 20 дБ на выход усилителя, чтобы ослабить помехи в эфире другим станциям во время настройки.

Обычно, тюнер разрабатывается для согласования с импедансами нагрузок (активных) в диапазоне 16…150 Ом, максимальный КСВ составляет 3 : 1. Вносимые потери составляют 0,5 дБ при КСВ 1,5 : 1 по входу тюнера. Тюнер не предназначен для согласования нагрузок с большими реактивностями, такими как нерезонансные антенны, другой подходящий тюнер следует подключать к выходу РА для этих целей.

Тюнер (встроенный), при применении внешнего, следует отключить.. Каскадирование тюнеров может создать условия для отражения реактивности обратно в автоматический (встроенный) тюнер и ФНЧ. В результате, опасные высокие РЧ напряжения могут появиться на конденсаторах этих устройств и приведут к выходу из строя их деталей.

Внутренний тюнер 1 кВт усилителя нуждается в небольшом охлаждении, для устранения тепла, возникающего из-за потерь в катушках и конденсаторах постоянной ёмкости. Он снабжён небольшим вентилятором в собственном корпусе или задействован в общем потоке воздуха, охлаждающем РА. (При мощности в 1 кВт, подводимой к нагрузке, при вносимых потерях 0,5 дБ Т-образная схема тюнера рассеивает125 Вт).

В зависимости от конструкции контроллера, автоматический тюнер может либо следить за частотой и, в динамике, изменять (согласовывать) импеданс нагрузки, или сохранять и выполнять предустановки. Контроллер переключает также и отводы на катушках тюнера и подключает дополнительные конденсаторы постоянной ёмкости, если требуется переход на более низкие диапазоны частот.

6. Внешние интерфейсы: В дополнение к обычным:: РЧ - входу, РЧ - выходу (антенне), цепи переключения, ALC и соединению с питающей сетью переменного тока, полупроводниковый усилитель, обычно, снабжается входом данных по диапазонам ("BandData"). Это даёт возможность возбудителю посылать информацию о выборе диапазона (band-selection) на контроллер усилителя. Формат данных диапазона (band-dataformat) свой и единый для каждого производителя аппаратуры. В некоторых разработках линия обратного переключения позволяет усилителю переключать возбудитель, при наличии несущей. Контроллер усилителя считает частоту несущей, чтобы установить соответствующий частотный диапазон. Эта возможность предотвращает автоматическое переключение диапазонов, в случае, когда возбудитель и РА изготовлены разными производителями.

У многих полупроводниковых усилителей имеется двойные входы для РЧ, цепи переключения и ALC интерфейсов, позволяющие оператору производить переключение двух возбудителей. Раздельная подстройка ALC обеспечивается на каждом входе. Дополнительно, возможно наличие до 4 переключаемых РЧ выходов. Они могут быть программируемые, предназначенные для автоматического переключения антенны, при смене частоты или диапазона.

Переключающая линия (PTT) в полупроводниковом усилителе мощности - низкопотенциальная, рассчитанная на схему с открытым коллектором или маломощное реле, расположенное в возбудителе. Никаких вспомогательных реле и буферных устройств применять не нужно.

В зависимости от конфигурации оборудования, внешние интерфейсы (кроме РЧ и питания) могут быть сгруппированы во многоконтактные соединители для упрощения взаимных соединений с возбудителем. Дополнительно, цепи переключения и ALC выносятся на ответные части соединителей типа RCA.

7. Блок питания (БП):блок питания может быть как внутренним, так и внешним, применимы как линейные, так и импульсные БП. Обычно, с усилители класса 500 Вт комплектуются 1.5 кВA БП линейного типа, рассчитанными на выходное напряжение 40 В, при токе 25 А, тогда как, 2,5 кВА импульсные БП, обеспечивающие напряжение 48 В при токе 50 А, “идут” с 1 кВт усилителями. В БП встроено ограничение пусковых токов. В некоторых 48-вольтовых БП предусмотрено включение на пониженное напряжение (обычно, 35 В), для обеспечения работы прилагаемого усилителя на уровне половинной мощности.

Хорошо сконструированный БП имеет отличную развязку по РЧ.

Чтобы надёжно обеспечить оптимальную линейность усилителя мощности, БП должен иметь стабилизатор, обеспечивающий высокую степень стабилизации выходного напряжения (просадка не более 5% при полной выходной мощности РА). Чтобы получить хорошую линейность РА, необходим хороший стабилизатор коллекторного (стокового) напряжения его питания. Он позволяет оптимизировать сопротивление нагрузки “коллектор-коллектор” (“сток - сток”) для хорошей эффективности и управляемого изменения тока без захода в область насыщения.

Стабилизатор напряжения базового смещения (или напряжения смещения затвора) должен быть исключительно стабильным, свободным от РЧ (наводок) или модуляции по огибающей (от преобразователей импульсного БП). Пристальное внимание источнику смещения следует уделять для обеспечения наилучшей линейности, на которую толькоспособеннашРА. Для уменьшения рассеяния мощности на коллекторах (стоках) мощных РЧ транзисторов, напряжение смещения прикладывается только при нажатой клавише включения РА на передачу (РТТ). В паузе передачи на транзисторы не подаётся напряжение смещения, они закрыты. Электронное переключение на передачу, при появлении РЧ раскачки на входе усилителя, обычно в полупроводниковых усилителях мощности не используется (прерогатива СВ - связи (си-би) - UA9LAQ ).

Рекомендуется работа с питанием от сети напряжением 220…240 В, (не 120 В) для минимизации “просадки” напряжения сети. Блок питания должен содержать соответствующий вентилятор для охлаждения. Полезно встроить в БП с сетевой стороны, для безопасности, двухпроводный пускатель (разрыватель).

Наличие панели дистанционного управления является удобным эксплуатационным признаком, присущим высококлассным полупроводниковым усилителям.

Смотрите типичные примеры промышленных любительских полупроводниковых усилителей на КВ диапазоны и на диапазон 6 метров.

Читайте статью Matt’а, KK5DR's "What makes a good tube type amp?" (на русском языке)

Литература:

  1. "HF Radio Systems & Circuits", Chapter 12, Sabin & Schoenike, editors. Noble, 1998. View excerpt
  2. "Transistor PA RF Output Power vs Load Impedance" by Grant Bingeman, KM5KG
  3. The ARRL Handbook for Radio Amateurs (2001), Chapter 6, Fig. 6.87.
  4. "The abominable ALC", by Leif Åsbrink SM5BSZ
  5. Mosfets versus Transistors in RF Linear Amplifiers, by Sergio Cartoceti, IK4AUY

Признательность:

Я признателен моему хорошему другу, Matt Erickson KK5DR, воодушевившему меня написать и отправить эту статью.

Свободный перевод с английского: Виктор Беседин (UA9LAQ) ua9laq@mail.ru
г. Тюмень июнь, 2004 г



Глас народа
17.03.2005 20:27 Виктор большое Вам спасибо за множество интересных переводов! 73!...  --  UN7RX Robert...
04.06.2004 17:58 Ну,что тут еще скажешь?...  --  DAVID

Возврат