УКВ ретранслятор RR4DB ( г.Волгоград UA4ATA )
Контроллер радиолюбительского репитера на м/с PIC16F84
Валерий Войнов (UA4ATA), ua4ata@vistcom.ru |
При подготовке данного материала принимали участие: Тимофеев А.П. (RV4AQ); Банькин А.В. |
Скачать архив в авторском
варианте. 3.0 m.b ( Win ZIP ) Полная информация:
есть два упрощённых варианта,
есть HEX
Подобная
копия репитера установлена в г. Морозовск Ростовской области,
при активном участии
Андрея RA6MG
 
Контроллер радиолюбительского репитера предназначен для совместной работы с любой дуплексной УКВ радиостанцией, применяемой для построения репитерного комплекса. (В данном случае использовалась списанная синтезаторная радиостанция ЛЁН - 160Д ). При развитии репитерной эпохи по Волгоградской области все актуальные проблемы решались постепенно и как правило находились разные пути их решения от простых к более сложным. Как показала общая практика , при эксплуатации репитеров возникает масса проблем как по развязке между собственным приемником и передатчиком , так и обычными промышленными помехами. Что касается развязки между RX и TX , то лучшие результаты получаются при вертикальном разносе между приемной и передающей антеннами конструктивно выполненных в виде сфазированных антенных решеток , из четырех петлевых или разрезных вибраторов . В частности я считаю одна из важных проблем на которую практически не возможно повлиять простыми методами , при таком прогрессе развития электронных устройств - это эфирные помехи
В виде конкретного примера хотелось бы отметить один из источников помех . Это на первый взгляд безобидные, так называемые польские всеволновые TURBO TB-антенны решетки , от которых просто нет спасения. Усилитель находящийся в них , часто входит в фазу возбуждения имея плавающий характер по частоте в виде промодулированной несущей частотой 50 гц , которую принимает репитер на расстоянии до 10 км и транслирует на более дальнее расстояние. Данная ситуация заставляет принимать технические решения об улучшении параметров устройства, и некотором усложнении репитера. Ретранслятор - это автоматическое устройство недоступное для быстрого вмешательства в алгоритм его работы, по этому он должен быть послушным и управляться с помощью дистанционного управления, по радиоканалу кодированными сигналами DTMF или им подобными. В частности при выше изложенных обстоятельствах было стремление создать гибкую, простую в обращении , контролируемую и легко повторяемую конструкцию контроллера.С помощью имеющихся функций и параметров при необходимости быстро задавать нужный алгоритм работы данного устройства при различных ситуациях. Насколько мне это удалось, судить единомышленникам развития любительской УКВ радиосвязи.
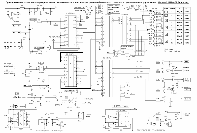
Принципиальная схема
Фильтр формирователь CTCSS
|
Полосовой фильтр CTCSS устанавливается
непосредственно в радиостан- |

| Резисторы |
Конденсаторы |
||
| R 1 - 100 k |
R 15 - 470 k |
R 42 - 10 k СП5-2 | C1 - 0,1 |
Сб - 0,1мкф.(блокировочные)
Сб.1-2200пф.(блокировочные , могут быть безвыводные и устанавливаться
со стороны пайки )
| Диоды : |
Транзисторы : |
| V1 - КС 156А |
V8--V11 , V13 , V14
, V19 , V20 |
S1 - кнопка на размыкание.
S2 - переключатель на
замыкание.
Для переключения ФСС используется реле РЭВ - 16 (
50ом )
При настройке компараторов на нужную температуру нужно к выводу 2 м/c 554CA3 подключить любой измерительный прибор и с помощью R42 и R50 установить нужный порог срабатывания при определенной температуре.
После установки репитера на постоянное место работы с
подключенными антеннами обязательно дать время на прогрев самой радиостанции и
после этого выставить нужный порог
шумоподавления с помощью индикации
светодиода V5 контроль ШП.
При изготовлении данной конструкции нужно обратить особое внимание где будет установлена плата контроллера: не должно быть по близости источников, отделяющих сильное тепло, (чтобы устранить погрешность при измерении температуры , датчиками подогрева и охлаждения .)
Сформированный сигнал CTCSS на выводе - 6- м/c PIC16F 84 не должен превышать уровень напряжения питания самой м/c D3.
После включения питания при рекомендуемых значениях параметров указанных в таблице, выдается позывной сигнал репитера , записанный в память микросхемы PIC-16F84, тем самым сообщая об исправности и готовности к работе репитера на любом не сканирующем частотном канале, который был установлен ранее ( RX 145, 075 - TX 145, 675 ).
Все ранее записанные установки параметров и команд хранятся в энергонезависимой памяти микросхемы и не изменяются после выключения питания . При программировании и изменении новых опций в правильной последовательности , выдается подтверждение исполненной команды: ( ON- трель , OFF- короткий бип ). После повторения данной конструкции нужно обратить особое внимание на прохождение сигналов DTMF по имеющемуся индикатору ( контроль DTMF ) , так как от этого зависит четкое исполнение команд. Если в DTMF декодере будет установлен стандартный кварц 3579 , 545 kгц , то ограничиться можно только проверкой качества прохождения DTMF сигналов. После проверки, если будет замечено не четкое срабатывание по какой - либо группе частот декодера DTMF , то это означает не соответствие требуемого значения при приеме кода.При необходимости проверить и установить параметры передаваемого тона DTMF.
На отсутствие нелинейных искажений.
На необходимый уровень девиации DTMF 2-- 2, 5 kгц .
На совпадение частот кодер - декодер .
|
|
| ||
Описание команд через PASS -1____________ |
Пример: [1] [2] [3] [4] [5] [5] |
[ 1 ] - 1 скан. канал ( выход на 1 репитер RX 145, 025 -
TX 145, 625 )
[ 2 ] - 2 скан. канал ( выход на 2 репитер RX
145, 050 - TX 145, 650 )
[ 3 ] - 3 скан. канал ( выход на 3
репитер RX 145, 075 - TX 145, 675 )
[ 4 ] - 4 скан. канал (
выход на 4 репитер RX 145, 100 - TX 145, 700 )
[ 5 ] -
Резервный ( не скан. канал RX 145, 075 - TX 145, 675 )
[ 6 ] -
ON / OFF позывной ( вкл / выкл. CW сообщение )
[ 7 ] - ON /
OFF охрана ( вкл./ выкл. сообщение охраны )
[ 8 ] - ON / OFF
мощность TX. ( вкл./ выкл. большая малая мощность )
[ 9 ] - ON / OFF
сброс таймера выдачи опознавания ( при вхождении в репитер )
[ 0 ]
- не скан. канал ( пример RX 145, 100 - TX 145, 700 )
[ a ] -
ON / OFF Антенна ( переключить Антенны )
[ b ] - ON / OFF - TX (
запретить работу репитера )
[ c ] - ON / OFF - CTCSS ( закрыть репитер
на CTCSS тон декодер )
[ d ] - ON / OFF задержка ТХ ( при выходе из
репитера )
[ * ] - ON / OFF - DSQ декодер ( закрыть репитер на DTMF
тон декодер )
[ # ] - ON / OFF таймер огр. ТХ ( вкл./ выключение
таймера от зависания. )
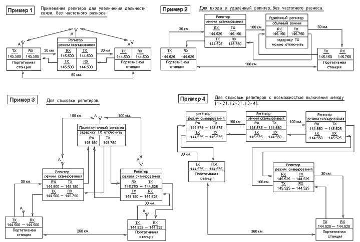
1. Каналы сканирования предназначены для входа в удаленный репитер с помощью портативной радиостанции без применения частотного разноса TX - RX ( захват нужного канала происходит при появлении несущей на соответствующем RX канале.) В данном режиме задержка удержания ТХ после пропадания несущей отключается автоматически при переходе на скан . канал
Запрограммированные частотные каналы П.П. в виде примера указаны на принципиальной схеме данного устройства и принципиального значения не имеют. При использовании скан. режима для входа в удаленный репитер , желательно так же соблюдать этику радиообмена , как при организации симплексной связи.
Этот режим репитера считается как не основной , и по этому предусмотрен автоматический переход на основной рабочий канал , по времени установленного в PASS-2 [6] , по умолчанию ШП . Или можно перевести в ручную , используя команду PASS-1 [ 5 ] или [ 0 ] для возврата на один из рабочих каналов . В случае перехода в автоматическом режиме по умолчанию ШП. на не скан. рабочий канал , возврат произойдет на тот частотный канал , с которого был переведен на сканирующий для вхождения в удаленный репитер. После возврата на основном канале будет выдано CW сообщение (готов к работе ). Аналогичное сообщение не передается , в случае если возврат на рабочий канал был произведен по команде PASS - 1 [0] или [5].
2. Не сканируемые каналы PASS -1 [5] или [0] - основные ( рабочий , резервный ) , которые сохраняют свое состояние в памяти при повторном включении питания .
3. Команда PASS - 1 [6] разрешает или запрещает выдачу CW опознавания при конкретной ситуации. В режиме сканирования опознавание репитера автоматически отменяется и не выдается по истечении установленного времени в PASS - 2 [4]. Однако при необходимости можно принудительно вызвать CW сообщение для прослушивания , используя команду PASS - 2 [8]. При принудительном вызове сообщения по данной команде , особого значения не имеет какой канал был установлен или отменена выдача опознавания по команде PASS -1 [6] . Количество запросов по команде PASS -2 [8] , неограниченно .
4. Команда PASS - 1 [7] предназначена для предотвращения несанкционированного проникновения в помещение , где установлен репитер. Если охрана разрешена , сообщение в виде прерывистой трели будет выдаваться после срабатывания датчика охраны S 1. Время звучания сигнала охраны устанавливается параметром PASS - 2 [1] . Сообщение охраны выдается независимо какой частотный канал был установлен , и если был установлен скан. канал , то при срабатывании S1. охраны сигнал тревоги передается всегда на канале принимаемой станции ( в целях сохранения информации о состоянии датчика охраны ). По истечении времени звучания охраны , репитер автоматически произведет переход на не сканируемый рабочий канал , выдав при этом CW сообщение ( готов к работе ). После этого на основном рабочем канале предоставляется возможность для быстрого оповещения ответственных лиц за сохранность репитера .
5. Команда PASS - 1 [8] применяется для изменения мощности передатчика репитера , а так же может применяться и для других ключевых цепей для управления внешними устройствами. При включении данной функции на выходе м/c D6 561ИР-9 выв.14 устанавливается логическая -1-. Подтверждение команды: трель ( большая ) , бип ( малая. )
6. Команда PASS - 1 [9] предназначена для выбора режима опознавания: включить или выключить сброс таймера опознавания при вхождении в ШП репитера . При включении сброса , подтверждение ( трель ). При выключении сброса , подтверждение ( бип ). Если сброс включен , то при каждом вхождении в репитер , выдача опознавания откладывается на время установленное параметром PASS - 2 [4] . Если сброс выключен - выдача опознавания происходит всегда ,через время установленное параметром PASS - 2 [4] независимо от вхождения в репитер, при этом не мешая радиообмену с респондентами , так как воспроизводится с меньшим уровнем , чем голосовая модуляция.
7. Команда PASS - 1 [А] работает аналогично команде PASS - 1 [8]. При включенной команде на выводе - 1 D6 561ИР-9 появляется логическая -1- .
8. Команда PASS - 1 [B] предназначена для запрещения нормальной работы репитера. По команде выключить передатчик , передача голосовой информации невозможна .ТХ включен ( трель ) , ТХ выключен ( бип. ) Если выдача CW сообщения разрешена , то опознавание выдается не зависимо от того была запрещена работа передатчика или нет. Тем самым оповещая , что репитер работоспособен , но закрыт командой по каким либо причинам . Аналогично выдается CW сообщение и при закрытии репитера на DSQ и CTCSS декодеры .
9. Команда PASS -1 [*] включает в работу программируемый DSQ декодер ( DTMF ). Включено - ( трель ) , выключено - ( бип ) . По команде DSQ декодер вкл . нормальная работа репитера запрещается до появления на выходе приемника разрешающего DTMF кода , состоящего от 1 до 3 символов кодера DTMF для открытия репитера и 1 символа на закрытие , после отпускания РТТ портативной радиостанции . Программирование символов DSQ декодера осуществляется в PASS -2 [ 9] . Функцией DSQ желательно пользоваться в автоматическом режиме передачи кода DTMF. Конец передачи в портативной радиостанции можно и не обозначать DTMF, тогда репитер будет сохранять нормальный режим , до истечения времени установленного в параметрах PASS -2 [*].
10. Команда PASS -1 [C] включает в работу программируемый CTCSS тон - декодер. вкл. -( трель ) выкл.-(бип.) По команде CTCSS декодер вкл. нормальная работа репитера запрещается , до появления на выходе приемника разрешающего CTCSS тона . Программирование CTCSS тон - декодера осуществляется в PASS -2 [#]. Назначение параметра для работы CTCSS: PASS -2 [ 0] аналогичное как у параметра для DSQ декодера PASS -2 [*].
11. Алгоритм работы DSQ и CTCSS декодеров не зависит друг от друга и выполняется следующим образом . Если включен только DSQ декодер , то нормальный режим работы репитера возможен только по сигналам DTMF кода. Аналогично работает и CTCSS декодер репитера.В случае если разрешена работа CTCSS и DSQ декодеров одновременно, то нормальная работа репитера разрешается по сигналу CTCSS или по сигналу DTMF ( DSQ ) , не зависимо друг от друга. Работа DSQ или CTCSS декодеров активна только на не сканирующих основных каналах PASS -1 [ 0] или [5] , и по этому при переходе на сканирующий канал , работа DSQ и CTCSS декодеров автоматически отменяется. Потом после возврата со скан. канала на рабочий основной канал , работа декодеров так же автоматически разрешается , при условии если были включены по команде PASS -1 [*] или PASS -1 [C].
12. Команда PASS -1 [D] включает или выключает задержку удержания передачи (ТХ ) после выхода из репитера . вкл. - ( трель ) , выкл. - ( бип ) . Если выключение задержки удержания ТХ было произведено по данной команде , и не было возвращено по этой же команде в исходное состояние , то произойдет автоматическое включение задержки удержания ТХ по таймеру автоматического возврата на основной не сканирующий канал по умолчанию ШП приемника репитера. Режим отключения задержки ТХ используется в случае , когда удаленный репитер с помощью сканирующего режима входит в репитер который работает в обычном режиме. По этому задержку ТХ целесообразно выключать для более удобного радиообмена между респондентами. В этом случае не придется респонденту работающему с помощью сканирующего режима делать паузу в своей передаче , пока репитер работающий в обычном режиме не отработает задержку удержания ТХ после выхода из ШП. Кроме оперативного отключения задержки по данной команде так же можно вос- пользоваться по необходимости параметром PASS -2 [ 3] для изменения времени удержа- ния ТХ и установить нужное значение данной задержки .
13. Команда PASS -1 [ #] предназначена для включения в работу таймера ограничения ТХ и работает совместно с параметрами PASS -2 [ 2] и PASS -2 [ D]. вкл . - (трель), выкл . - (бип.) Данная команда служит для ограничения времени непрерывного нахождения в репитере . Время ограничения работы программируется параметром PASS -2 [2] . После истечения времени по таймеру от зависания ( ограничение ТX ) происходит отключение передатчика репитера и удерживается в этом состоянии до выхода из ШП приемника репитера . Время выхода из аварийного состояния определяется другим параметром PASS -2 [ D]. Если за установленное время в PASS -2 [ D] не производилось вхождение в ШП репитера после выключения передатчика по таймеру ограничения ТХ, то нормальный режим репитера восстанавливается. Передатчик после выхода из аварийного состояния выдаст CW сообщение ( готов к работе ). Параметры PASS -2 [ D] и PASS -2 [ 2] имеют двойное назначение: не только ограничение передачи , но и по вырезанию продолжительной помехи с кратковременным пропаданием. Тем самым исключая возможность периодического включения и выключения репитера.
При режиме сканирования время таймера ограничения ТХ установленное
параметром PASS -2 [ 2] автоматически увеличивается вдвое (версия
3.1). Если по каким либо причинам произойдет срабатывание таймера ограничения
ТХ в режиме сканирования каналов , то эта ситуация будет воспринята
как аварийная , после чего произойдет автоматический переход репитера на
основной рабочий канал с выдачей CW сообщения ( готов к работе).
При включенной опции ограничение ТХ желательно бы использовать такой
же подобный режим ( тот ) имеющийся в портативной радиостанции ,
который будет предупреждать , с интервалом 30 сек. , об истечении
времени таймера ограничение ТХ. (передачи репитера)
Порядок программирования и назначения PASS -2 | |||
|
|
пароль |
№ параметра |
константа |
|
Пример: |
[ 1] [ 2] [ 3] [ 4] [ 6 ] |
[ 1 ] |
[ 0 ] - [1 ] - [ 0 ] |
[ 1 ] - время звучания сигналов
охраны._______________________________0 0 5--25, 5 мин.
[ 2
] - таймер огр. ТХ ( таймер от
зависания.)___________________________0 0 7--25, 5 мин.
[ 3
] - задержка ТХ при выходе из репитера.___________________________ 0 0 2--25, 5 сек.
[ 4 ] -
таймер выдачи опознавания.___________________________________ 0 0
1--255 мин.
[ 5 ] - таймер скорости переключения каналов
при сканировании._________ 0 0 1--255 м/сек.
[ 6 ] -
таймер автоматического возврата на не скан. канал по умолчанию___0 0 1--25,
5 мин.
[ 7 ] - изменение скорости выдачи CW знаков
опознавания.______________0 0 1--255 м/сек.
[ 8 ] - запись
знаков опознавания в память.
[ 9 ] - изменение кода DSQ
декодера. 1---3 символа откр. 1- символ закр.
[ 0
] - изменение времени выкл. ТХ репитера после пропадания тона
CTCSS (кодера)
,
или повторном вкл. без тона CTCSS.___________________________0 0
7--25, 5 сек.
[ A ]-
изменение PASS -1 команд. Пример:___________[ PASS -2] , [ A
] - новый [ PASS -1]
[ B ]- изменение PASS -2
параметров. Пример:_______ [ PASS -2 ] , [B] - новый [ PASS
-2]
[ C ]- задержка при вхождении в репитер. ( от ложного
срабатывания.)_____0 0 1--255 м/сек.
[ D ]- изменение времени
таймера выхода из аварийного
состояния,
( после выхода из ШП репитера .)
____________________________0 0 1--25, 5
сек.
[ * ] - изменение времени выключения ТХ репитера при
повторном
включении,
без кода DTMF
( DSQ)_____________________________________0 0 1--25, 5
сек.
[ # ] - изменение константы при обучении CTCSS
декодера.
k*12820 / f - CTCSS = 12820 / 100 гц .= 128 ( константа .)
Правильно набранная комбинация программирования параметров после выхода из ШП приемника репитера сопровождается сообщением ( трель ).
Если при программировании в область константы данного параметра случайно будут записаны все нули , то значение данного параметра будет воспринято как максимальное .
После программирования новой микросхемы PIC 16F 84A без оптимальных параметров, данной программой , в области памяти где хранятся значения параметров и команд , так же устанавливаются максимальные значения для всех параметров . А для всех команд исполнения - как включенное , частотный канал устанавливается при этом основной PASS -1 [0] . По этому первоначально для нормальной работы данного устройства все значения параметров и команд нужно установить согласно практическим установкам существующих таблиц . Перед записью после включения питания контроллера репитера нужно визуально проконтролировать включение передатчика с помощью светодиода ТХ , и после его выключения , можно начать программирование с помощью сигналов DTMF .
С начала переключатель сброса PASS -2 нужно установить в замкнутое состояние и после этого набрать PASS -2 из любых пяти символов и изменить значения паролей , PASS-2 потом PASS -1 и после чего переключатель сброса S2 вернуть в разомкнутое состояние . После этого можно начать программирование параметров , а затем команд .
ПРИМЕЧАНИЕ:
PASS -1 ( команды исполнения )
PASS -2 ( изменение параметров )
При изменении каких либо значений в параметрах или командах исполнения , после запрещения нормального режима репитера , командами как ТХ. выкл., DSQ вкл., CTCSSвкл., программирование новых значений с помощью сигналов DTMF всегда разрешено и не зависит от их состояния .
Для корректной работы всех параметров не выходить за установленные границы , указанные в таблице назначения параметров .
1. Параметры из PASS -2 [1], [2], [3], [6], [7], в подробных разъяснениях не нуждаются .
2. Параметр PASS -2 [0] определяет значение времени , через которое будет запрещен нормальный режим работы репитера после пропадания CTCSS тона .Этим параметром разрешается вхождение в репитер без CTCSS тона на определенное время , для устойчивой работы при пропадании CTCSS тона на предельно слабых уровнях передающих ВЧсигналов.
3. Параметр PASS -2 [*] работает аналогично предыдущему параметру .
4. Параметр PASS -2 [D] определяет значение времени после которого отменяется аварийный режим , после выключения по таймеру ограничения ТХ . Нормальный режим репитера восстанавливается при условии если не было вхождения в ШП репитера за время установленное в PASS -2 [D].
5. Параметром PASS -2 [C] программируется задержка на вхождение в репитер.При вхождении в ШП приемника репитера , передатчик включается через время установленное данным параметром от 001--255 м/сек., тем самым исключаются ложные срабатывания репите- ра от кратковременной импульсной помехи .
6. Параметр PASS -2 [4] предназначен для установки времени , через которое репитер должен выдать в эфир о себе информацию, в данном случае с помощью CW кода .
7. Параметр PASS -2 [5] предназначен для изменения скорости переключения каналов при использовании режима сканирования . Оптимальное значение этого параметра определяется при применении конкретной радиостанции используемой для репитера , и подбирается для надежного захвата канала при сканировании . Время на переключение у кварцканальных радиостанций меньше ,чем у синтезаторных .Практическое значение синтезаторного варианта 60 м/сек. При этом значении гарантируется надежный захват канала .
8. Параметром PASS -2 [9] осуществляется программирование DSQ декодера для открытия и закрытия репитера с помощью DTMF кода портативной радиостанции . При программировании данного параметра обязательно нужно указывать количество символов , которые будут участвовать для открытия , от 1--3 символов DTMF из 16. Для закрытия репитера перед выходом из него , программируется один символ DTMF из 16. При этом нужно проследить чтобы при программировании DSQ декодера не совпадало первого одинакового символа DTMF на открытие репитера с первым символом PASS -1. В случае программирования DSQ декодера для открытия репитера меньше трех символов, всё равно в обязательном порядке при записи параметра должны записываться три символа DTMF, но декодироваться будет то количество первых символов , которое будет указано при программировании данного параметра . Остальные символы DTMF стоящие после указанного количества значения не имеют . Правильно записанная информация будет подтверждена ( трель ).
|
DTMF |
PASS -2 из пяти символов |
Номер |
Количество |
3 из 16 |
1 из 16 |
|
Пример: 1 |
[1] [2] [3] [4] [6] |
[ 9 ] |
[ 3 ] |
[A] [9] [1] |
[0] |
|
Пример: 2 |
[1] [2] [3] [4] [6] |
[ 9 ] |
[ 2 ] |
[A] [9] [x] |
[6] |
|
Пример: 3 |
[1] [2] [3] [4] [6] |
[ 9 ] |
[ 1 ] |
[A] [x] [x] |
[B] |
|
DTMF [х] - символы не имеющие значения | |||||
При передаче данного кода DTMF портативной радиостанцией в автоматическом режиме ( авто DIAL ) , задержка перед выдачей сигналов DTMF после включения передачи должна составлять не менее 150----200 м/сек., которая устанавливается в параметрах портативной радиостанции и служит для четкого приёма сигналов DTMF. (1008ВЖ18)
9. Параметр PASS -2 [ # ] служит для программирования CTCSS декодера репитера . Выбор определенной частоты CTCSS определяется по формуле k* 12820 / f CTCSS и записывается в данный параметр в виде трехзначной константы .
PASS -2 [ # ] [1] [4] [0] ( 91,5 гц. )
Для более четкой работы декодера возможна точная подстройка при изменении данной константы на одну единицу вверх или вниз . Для визуального контроля совпадения частот CTCSS кодера с декодером предусмотрен светодиод CTCSS. По его непрерывному мерцанию можно судить о четком прохождении и совпадении сигнала CTCSS тона . Как показала практика , при использовании CTCSS тона не надо стремиться повышать частоту субтона , так как при обмене информацией с респондентами при работе через репитер частота выше 170 гц. более выражена на слух . По этой причине в практической конструкции выбрана средняя группа частот 123 гц, которая так же ограничена применением низкочастотного фильтра-формирователя и лежит в пределах полосы пропускания фильтра от 114,8--131,8 гц.
При использовании данной константы =К 12820 так же можно использовать и другие частоты лежащие как ниже так и выше стандартной таблицы ctcss.
Требование к принципиальной схеме фильтра-формирователя могут быть любые , и определяются как можно меньшем попаданием в его полосу пропускания спектра голосовой модуляции .
| f / CTCSS | 74,4 | 77,0 | 79,7 | 82,5 | 85,4 | 88,5 | 91,5 | 94,8 | 97,4 | 100 | 114,8 | 118,8 | 123,0 | 127,3 | 131,8 |
| =константа | 172 | 167 | 161 | 155 | 150 | 145 | 140 | 135 | 131 | 128 | 111 | 108 | 104 | 101 | 97 |
В частности применения CTCSS кодирования при наблюдении хотелось бы отметить некачественное формирование CTCSS тона в последних партиях портативной радиостанции DJ - 191. При измерениях нескольких экземпляров была обнаружена нестабильность частоты CTCSS формирователя на выходе передатчика , первоначально после включения PTT , а так же малый уровень модуляции CTCSS тона . При замене резистора R 56 ( DJ-191 ) на 100 k , работа радиостанции DJ - 191 c применением CTCSS тона была отмечена в лучшую сторону без изменения основных параметров .
10. Параметр PASS -2 [A] - предназначен для изменения PASS -1 применяемого для команд управления репитером . Параметр PASS -2 [B] - применяется для изменения самого PASS -2 для установки всех параметров . При правильном наборе в нужном количестве символов для конкретных PASS ,будет выдано подтверждение о правильно набранной команде (трель). Так как данная PASS -1 предназначена для работы с командами управления репитером и применяется чаще , чем PASS -2 , предусмотрена блокировка передатчика репитера при приеме кода PASS -1. Тем самым происходит вырезание кодирующей информации и трансляция репитера запрещается на время передачи кода . Что касается PASS -2 , то алгоритм по защите принимаемого кода репитером , аналогичен PASS -1. Но для этого при программировании самого PASS -2 нужно установить одинаковые символы первой цифры PASS -1 и PASS -2.
При передаче кода желательно пользоваться портативной радиостанцией используя малую мощность . При этом до минимума снизится вероятность перехвата кода .
Пример :
Когда принимаемый код не транслируется репитером .
1. PASS
-1 [ # ] [ x ] [ x ] [ x ] [ x ]
2. PASS -2 [ # ] [ x ] [ x ] [ x ] [ x
]
Если PASS -2 и PASS -1 устанавливаются одинаковые , то исполнение команд через PASS -1 запрещается , по этому рекомендуется использовать разные значения PASS.
Переключатель сброса PASS -2 служит для изменения самого PASS -2 , в случае если код PASS -2 был забыт по какой либо причине . Для этого с помощью переключателя S2 нужно изменить сначала PASS -2 , затем PASS -1 ; набрав пять любых символов утерянного PASS -2 , затем номер изменяемого параметра [B] или [A] и наконец сам новый PASS. После чего переключатель S2 нужно вернуть в исходное разомкнутое состояние . При не выполнении последнего условия , команды исполнения через PASS -1 будут игнорироваться .
Набрать(PASS -2 ) [ x ] - [ x ] - [ x ] - [ x ] - [ x ] -
[B]
Новый ( PASS -2 ) [ 1 ] - [ 2 ] - [ 3 ] - [ 4 ] - [ 5 ]
Новый ( PASS -2 ) [ 1 ] - [ 2 ] - [ 3 ] - [ 4 ] - [ 5 ] -
[A]
Новый ( PASS -1 ) [ 1 ] - [ 2 ] - [ 3 ] - [ 4 ] - [ A
]
11. Параметр PASS -2 [ 8 ]
Особенности программирования данного параметра заключаются в следующем . Этот параметр служит для многократного программирования CW сообщений , позывного и любой другой информации предназначенной для опознавания конкретного репитера и программируется после получения разрешения на эксплуатацию от УГСН .
Область памяти выделенная для программирования данного параметра составляет 256 бит. При последовательном программировании CW сообщения каждый знак ( . ) , ( - ) или пауза между буквами ( П ) занимают по два бита несущей информации . Перед началом программирования всю информацию предназначенную для записи в память нужно перевести в коды DTMF , и делать это нужно в строгой последовательности слева на право , предварительно записав всю нужную информацию для программирования на бумаге .После подготовки можно передавать последовательно в память с помощью команды PASS -2 [8] . Передача кода ведется в ручную или с помощью авто DIAL портативной радиостанции в несколько этапов , не более 16 символов от общего количества кодируемой информации . После команды PASS -2 [8] обязательно должно передаваться четное количество символов несущей информации 2, 4, 6 или 8. Если записываемая информация не может поместиться в оперативный буфер из 16 символов DTMF за один раз , и будет продолжена ,тогда после четного количества символов применяется команда для продолжения записи [C] (команда продолжить). Каждый раз после закрытия набранной строки символом [C] ( продолжить ) выдается подтверждение ( трель ) после отпускания ШП, сообщая о правильно принятой информации с готовностью продолжить программирование, по выше указанной методике . Символ [C] - ( продолжить ) и символы для закрытия всей информации [#] или [3] ( stop ) не входят в то четное количество о котором говорилось выше .
В случае когда команды для закрытия - [#] или - [3] набранного сообщения проставляются отдельно , после четного количества символов или после символа [C] (продолжить), выдача опознавания для контрольного прослушивания выдается автоматически один раз. А так же автоматическая выдача сообщения будет происходить после полной занятости памяти в 256 бит при программировании , и по этому нет необходимости закрывать данное сообщение символами для закрытия . После завершения программирования нужного сообщения можно воспользоваться по желанию параметром , выставив меньшую скорость выдачи опознавания через PASS -2 [7] - [ 0 ] [ 5 ] [ 0 ]. После чего вызвать принудительно сообщение через PASS -2 [8]. Если после прослушивания записанного CW сообщения не будет обнаружено ошибок , то параметр PASS -2 [7] установить в оптимальное значение [0] - [2] - [6]. На этом программирование можно закончить .
Если в четное количество символов при программировании входит команда
( stop ) - [ 3 ] ( 1 - 1 - 0 - 0 ) или [ # ] ( 0 - 0 -1 - 1 )
( 1 - 2 - 4 - 8 )_________ ( 1 - 2 - 4 - 8 ), то будет выдано подтверждение ( трель ) и в этом случае тоже можно считать набранную информацию закрытой , но тогда для вызова полного контрольного прослушивания CW сообщения нужно набрать отдельно команду PASS -2 [8].
Из практических примеров указанных ниже, видно каким образом подготавливается информация для программирования нужного CW сообщения . С начала телеграфная информация переводится в двоичный код 1 - 2 - 4 - 8 ( слева на право ), затем в код DTMF и дистанционно последовательно записывается в память микросхемы PIC16F84. Необходимая пауза в начале и в конце сообщения устанавливается автоматически при программировании и по этому нет необходимости расходовать на нее используемую память .

12. Особенности кодов 1 - 2 - 4 - 8 и символов DTMF при программировании CW сообщений
1. Коды присвоенные CW знакам для программирования: 1 - 2 - 4 - 8 ( слева направо .)
00 - ( П) пауза .
10 - ( . ) точка .
01 - ( _ ) тире .
11 - ( stop ) закрытие .2. Запрещенные символы для программирования: [A] - [B] - [*] - [7].
3. Символы DTMF используемые для записи CW информации через код 1 - 2 - 4 - 8
[1] - [2] - [4] - [5] - [6] - [8] - [9] - [0].
[D] - ( ПП ) две паузы ( 0 - 0 - 0 - 0 ).4. Символ для продолжения записываемой CW информации четного количества символов DTMF через код 1 - 2 - 4 - 8 [C] - ( команда продолжить ) ( 1 - 1 - 1 - 1 ).
5. Символы DTMF используемые для закрытия CW информации при программировании через код 1 - 2 - 4 - 8
[#] - ( stop ) закрыть ( 0 - 0 - 1 - 1 ).
[3] - ( stop ) закрыть без паузы ( 1 - 1 - 0 - 0 ).ПРИМЕЧАНИЕ:
При необходимости символы [ # ] , [ 3 ] можно так же использовать и для стирания старой CW информации перед записью новой . В обычном случае , новая информация стирает старую и если новая оказывается короче старой , обязательно закрыть один раз символом [ 3 ] или [ # ].
13. В заключении хотелось бы отметить, что данное устройство можно применить не только для контроля репитера с любой дуплексной радиостанцией, но и в обычной радиостанции для симплексной связи ,применив как сервисное устройство с многочисленными функциональными возможностями . Управлять устройством можно как дистанционно по радиоканалу , так и с помощью выносной гарнитуры с клавиатурой DTMF, при этом разрешив или запретив конкретные функции . Еще одна особенность данной конструкции: при письменном разрешении УГСН с помощью небольших доработок принципиальной схемы контроллера, становится возможным выход с портативной радиостанции в телефонную сеть для экстренных аварийных сообщений , без подводки проводной телефонной линии к репитеру. Линия подаётся с помощью радиотелефона 900 мгц. PANASONIC-7980,9350, и им подобных. При необходимости для конкретного случая , можно значительно упростить и исключить из принципиальной схемы; D 4 , D 5 , D 7 , D 8 и к ним прилегающие элементы схемы , после чего переработать печатную плату .
Запрограммированную микросхему PIC16F 84 с оптимальными практическими установками версии 3.1 данного устройства , а так же более подробные консультации по данной тематике можно получить у автора .
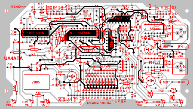
Рисунок печатной платы контроллера, со стороны деталей.
Размер платы: 162,5 / 90 мм.
Рисунок печатной платы фильтра-формирователя CTCSS, со стороны
деталей.
Размер платы: 140 / 50 мм.
Контакты платы:
1-корпус, 2-Вх.CTCSS, 4- +10v, 5-ШП, 6-Вых.CTCSS.
Рисунок печатных плат внешних устройств, со стороны деталей.
![]() |
![]() |
Размер
платы: 41 / 28мм. |
Размер платы: 48 / 28мм. |
ПРИМЕЧАНИЕ: Печатные платы внешних устройств располагаются внутри блока питания.
Все печатные платы разработаны в программе Sprint Layout
v3.0 rus ,
данная программа находится по адресу
http://www.cqham.ru/e_soft.htm
| Глас народа |
|
30.03.2013 11:23 hello... -- sibelhaj 02.04.2011 18:47 Уважаемый Валерий скиньте пожалуйста ключик к repiter.hex мне на... -- UK8LBQ 11.06.2006 19:22 Конечно же, интересная разработка. Вот только ключик-бы к repiter... -- ur5kby 19.01.2004 11:45 Великолепная конструкция .Мне приходиться очень часто пользоватьс... -- ГЕША |